ASCO电磁阀和气动元件
ASCO防爆技术资料
JOUCOMATIC气动元件
ASCO电磁阀
Topworx阀门回讯器
SAMSON控制阀
PEKOS派克斯球阀
JDV进典阀门
ROTECH瑞廷阀门回讯器
CEME电磁阀
90系列流体阀
87系列流体阀
65系列流体阀
62系列流体阀
86系列流体阀
55系列流体阀
9313系列
66系列流体阀
FOXBORO仪表
OMAL
气动执行器
电动执行器
气控蝶阀
电动蝶阀
气控阀门
电动阀门
VIP阀
您的位置:
首页
>>
产品展示
>>
ASCO电磁阀和气动元件>ASCO电磁阀
(点击看原图 )
ASCO 551系列2位5通电磁阀(不防爆)阀门厂配套选型
发布时间:2006-11-2
产品编号:
产品规格:
产品价格:
产品简述:
ASCO 551系列2位5通电磁阀(普通)
详细信息
ASCO 3/2 、5/2 551系列
特点:
铝制阀体、带螺纹接口和NAMUR界面
同一滑阀可配接为3/2常闭或5/2,用于控制双作用和单作用执行机构
能防液体,灰尘或异物的侵入(实现外界影响防护)
标准配置手动操作器。
概述
操作压差:2-10bar
最大许可压力:10bar
流量(在6bar条件下):700L/min(ANR)
介质
温度范围
密封件
空气、中性气体
-25℃至+60℃(1)
NBR(腈类橡胶)
+
PUR(聚氨脂)
结构
阀体 铝,黑色阳极化处理
端盖,连接板 铝,黑色阳极化处理
内部零件 锌基合金,钢,乙缩醛(POM),铝
密封件 NBR+PUR
阀芯、套管 不锈钢
屏蔽线圈 铜
先导排气口 螺纹接口(M5)
绝缘等级 F
线圈外壳 环氧树脂
线圈扁平插头 3*DIN 46244
插座 Type 22,扁平插头(Pg 9P)
电气安全标准 VDE 0580
电气特性
标准电压: DC=:24V
AC(~):24-115-230V/50Hz
(其它电压等级和60Hz可按需提供)
线圈类型
额定功率
环境温度范围
(1)
防护等级
启动
~
维持
~
热/冷
=
(VA)
(VA)
(W)
(W)
(℃)
CM22-2.5W
6
3.5
2.5
2.5/3
-25至+60
IP65(浇注)
规格
管径
通径
流量系数
操作压差
线圈类型
(C)
手动操作器
排放变径接头
型号
(~/=)
最小
最大
空气/气体
(G)
(mm)
(m
3
/h)
(l/min)
(l/min)
~/=
~/=
单线圈-弹簧复位(单稳态),带或不带排放变径接头
1/4
6
0.6
10
2
10
CM22-2.5W
CM22-2.5W
1
1
●
●
-
+
SC G551A001 MS
SC G551A001 MSM
单线圈-弹簧复位(单稳态),带或不带排放变径接头
1/4
6
0.6
10
2
10
CM22-2.5W
CM22-2.5W
2
2
●
●
-
+
SC G551A002 MS
SC Q551A002 MSM
(c)结构类型(见“尺寸”章节)●螺旋型手动操作器+排放变径接头
(1)最低工作温度为-40℃,请与我们咨询
选项和附件
l 防爆外壳符合”CENELEC” Eex d,m,em,i标准
l 防爆、防水外壳符合”NEMA”标准
l 符合”UL”标准
l CM25型线圈符合ISO 4400,type30 型插座(Pg11P)
l 尼龙线圈
l 其他类型:气动操作,弹簧复位:不带排放变径接头,型号:G551A101
带排放变径接头,型号:G551A101M
l 一套不锈钢安装螺栓,型号:97802212
l 2个排放可变径接头,型号:88100344
l 插头带可视指示器和扩电涌器或2m长引线
安装
l 可任意位置安装
l 随阀提供2个带NAMUR配合面的连接板
l 在按装执行机构前,应根据阀的功能不同(常闭,3/2或5/2)将二连接板正确安装到滑杆电磁阀。
l 随阀提供定位销(若需要),螺栓和垫片
l 标准“G”螺纹接口,符合ISO228/1标准
l 可按需提供其他管螺纹形式
l 随阀提供安装/维修指南
l 可供备用线圈
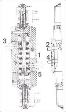
尺寸(mm)重量(kg)
① 连接板
② 安装:2-M5*35螺栓,螺纹长度:7mm
③ 插座,可2*180
O
旋转,CM8(Pg 9P)
④ 2个“O”形圈(提供)
⑤ φ5孔用于定位销
A1位置:3/2连接板
A2位置:5/2连接板
型号
(C)
重量(1)
3/2
5/2
SC G551A01 MS
1
0.339
0.339
⑥ 手动操作器,螺旋型
⑦ 先导排气口:M5,带排水保护装置
⑧ 排放变径头适用于3mm和5mm通径(按要求)
*插座拆装空间:15mm
SC G551A001 MS M
1
0.349
0.359
SC G551A02 MS
2
0.457
0.457
SC G551A002 MS M
2
0.467
0.477
(C)结构型式 (包适线圈和插座)
网站简介
广告服务
上网解决方案
联系我们
南京埃思诺自动化工程有限公司 版权所有
苏ICP备06001890号
地址:南京市中央路302号创意中央21栋207室
电话:025-86559890、86559893
网站建设
:
南京博贤科技
传真:025-86550308 邮编:210037
E-mail:asn@jsasn.com